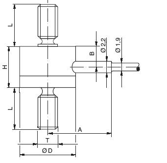
Célula miniatura 8417
Medida de fuerzas de tensión y compresión
Características Destacadas
- Rangos de medida de 0 - 10N hasta 0 - 5000N
- Construcción robusta
- Montaje sencillo
¿Le gustaría saber más?
Reciba asesoramiento de nuestros especialistas:
Llámenos:
(+34) 91 481 00 79
Copyrights © 2025 Insatec Electrónica S.L.



Mándenos un email
