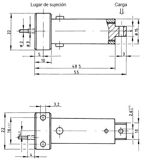
Célula de carga 8510
Sensor de flexión para fuerzas de tensión y compresión
Características Destacadas
- Fácil de instalar
- Protección mecánica contra sobrecarga
- Larga vida utíl en procesos de producción
¿Le gustaría saber más?
Reciba asesoramiento de nuestros especialistas:
Llámenos:
(+34) 91 481 00 79
Copyrights © 2025 Insatec Electrónica S.L.



Mándenos un email
