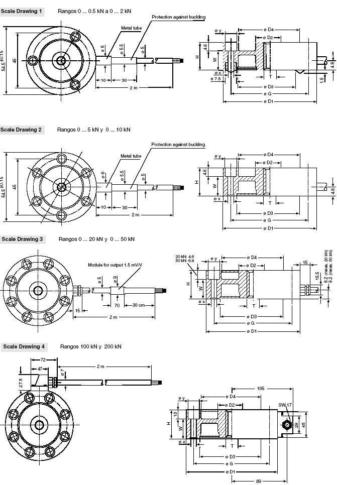
Célula de carga 8524
Sensor estandar para medida de fuerza
Características Destacadas
- Rangos de medida de 0 - 500N hasta 0 - 200kN
- Alta precisión en la medida de hasta 0.25%
- Fabricada en acero inoxidable
¿Le gustaría saber más?
Reciba asesoramiento de nuestros especialistas:
Llámenos:
(+34) 91 481 00 79
Copyrights © 2025 Insatec Electrónica S.L.



Mándenos un email
